查看: 233|回复: 3

youyeetoo X1 接口电压问题

[复制链接]

3

主题

3

回帖

233

积分

中级会员

Rank: 3Rank: 3

积分
233
发表于 2025-9-19 09:36:11 | 显示全部楼层 |阅读模式
(为了高效,请按如下格式提问)

硬件主板型号:youyeetoo X1    8GB + 256GB EMMC
固件名称/系统版本:
自编的或固件下载地址:http://dd.youyeetoo.cn:5000/sharing/PLQlFgqDI
Log日志: (可以导出,用TXT附件上传)

问题描述及复现步骤:

1、之前有刷了1.8V的BIOS固件,且刷成功了(此时没有去测电压是否1.8V);
2、然后我安装了ubuntu server的系统,以及SPI驱动,但实际测的SPI管脚的电压还是3.3V;
3、请问这个1.8V的固件只在Windows系统下起作用吗?Ubuntu Linux系统下呢?

回复

使用道具 举报

0

主题

47

回帖

638

积分

高级会员

Rank: 4

积分
638
发表于 2025-9-19 13:57:18 | 显示全部楼层
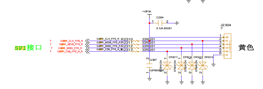
你好,X1这个电压切换是指GPIO的电压,不是SPI的,SPI一直是3.3V
Snipaste_2025-09-19_13-56-35.png
回复 支持 反对

使用道具 举报

3

主题

3

回帖

233

积分

中级会员

Rank: 3Rank: 3

积分
233
 楼主| 发表于 2025-9-22 10:25:30 | 显示全部楼层
那能改成1.8V吗?我们需要1.8V的,不然意义不大
回复 支持 反对

使用道具 举报

0

主题

47

回帖

638

积分

高级会员

Rank: 4

积分
638
发表于 2025-9-25 10:37:13 | 显示全部楼层
xm_yl_zjm 发表于 2025-9-22 10:25
那能改成1.8V吗?我们需要1.8V的,不然意义不大

你好,可以买电平转换模块,使X1上的SPI 3.3V转成1.8V
回复 支持 反对

使用道具 举报

您需要登录后才可以回帖 登录 | 立即注册

本版积分规则

QQ|风火轮WIKI|手机版|小黑屋|深圳风火轮团队 ( 粤ICP备17095099号 )

GMT+8, 2025-12-30 00:55 , Processed in 0.071931 second(s), 29 queries .

快速回复 返回顶部 返回列表
 
【客服1】 商务合作 15289193
【客服2】 业务洽谈 13257599
【客服3】 售前咨询 510313198
【邮箱】
smartfire@smartfire.cn